VRAP SV
VRAP 70/80 SE SV - VRAP 80/100 SE SV - VRAP 70/80 DE SV - VRAP 80/100 DE SV

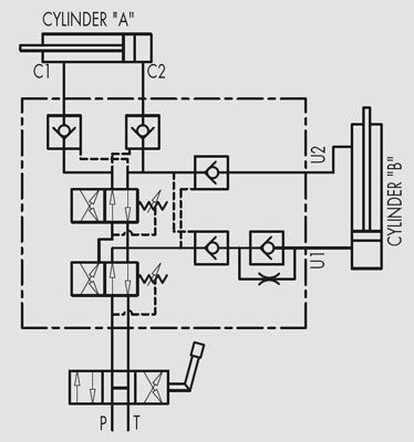
Double Acting Plough Overturning Valve By Up Mouldboard Load Shifting (Patent 2013)

Use and Operation
This valve has been realised for use on cylinders for reversible plough to obtain the automatic oil backflow and therefore the motion reversal of the hydraulic cylinder that makes the plough rotating. It has been studied to set in action 2 cylinders with advantageous rotation load( see scheme). Operating instructions: sequence working: first cylinder B starts lining up the load; once it got the end stroke, cylinder A starts overturning. When this gets the dead point, A and B start working at the same time, B with a delayed speed in relation to A.

These valves are supplied with exchange pressure at 140 Bar: according to your requirements, pressure setting can be modified by acting on the pressure regulator.

Materials and Features

  • Body: zinc-plated steel
  • Internal Parts: hardened and ground steel
  • Seals: BUNA N standard
  • Poppet Type: any leakage

Applications
Connect C1 to the stem, C2 to the cylinder’s block A, U1 to the block and U2 to the stem of the lining up cylinder’s B; P and T to the machine inlet. Thanks to its shape, it can be in-line assembled on a hydraulic cylinder or directly fixed on the plough through the threaded hole made on the body.

Code:

V0339 - V0340 - V0345 - V0346

VRAP SV - VRAP SV
VRAP SV - VRAP SV

Download

Hydraulic Systems and Components